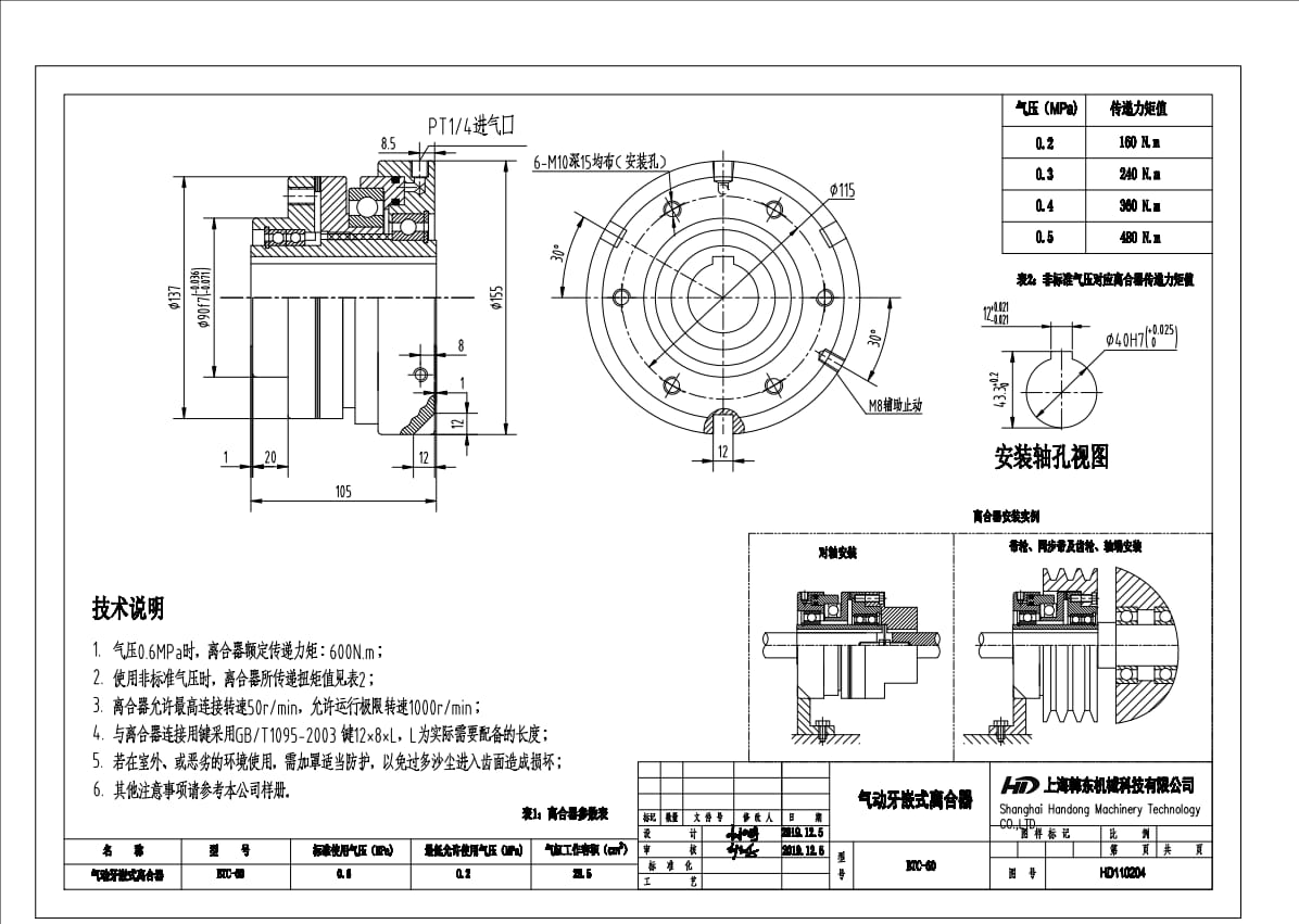
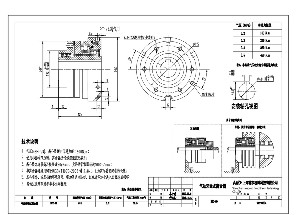
Pneumatic Tool Chuck : BTC60 : HD
Make : HD
Reference Documents :
Request a B2B account for Special Pricing & Discounts
                        Barcode: 
                            117-001
                        
                
Make : HD
                        Barcode: 
                            117-001